Tổng quan về thông số kỹ thuật và cách cài đặt cho biến tần CHINSC S350 — một dòng biến tần công suất rộng, dùng cho bơm, quạt, băng tải, máy công nghiệp…
🔌 1. Thông số kỹ thuật chính của biến tần CHINSC S350
📌 Thông số chung
- Dải công suất: từ ~0.75 kW đến 550 kW
- Điện áp đầu vào: 3 pha 380 VAC ±15 %
- Điện áp ra cho động cơ: 3 pha cho motor AC 380 V
- Dải điều chỉnh tần số: từ 0 – 3000 Hz (độ phân giải 0.01 Hz)
- Khả năng chịu tải:
- 150 % dòng định mức trong 60 giây,
- 180 % trong 3 giây
- Momen khởi động: ~180 % ở 0.5 Hz
- Điều khiển:
- V/F (Điện áp/tần số),
- Sensorless vector (Vector không cảm biến),
- Torque control.
- Giao tiếp: RS485 (Modbus).
- I/O: 6 đầu vào số đa chức năng, 2 đầu vào analog (0–10 V và 4–20 mA), 2 đầu ra analog, 2 relay ngõ ra.
- Cấp điều khiển tốc độ: 16 cấp tốc độ / chương trình có thể thiết lập.
- Chức năng bảo vệ: Quá dòng, quá áp, điện áp thấp, mất pha, quá nhiệt, quá tải, ngắn mạch pha đầu ra… (~30 chức năng).
💡 Ứng dụng điển hình: bơm, quạt, băng tải, máy ép, cầu trục, máy khuấy, máy tạo hạt nhựa, máy công cụ…
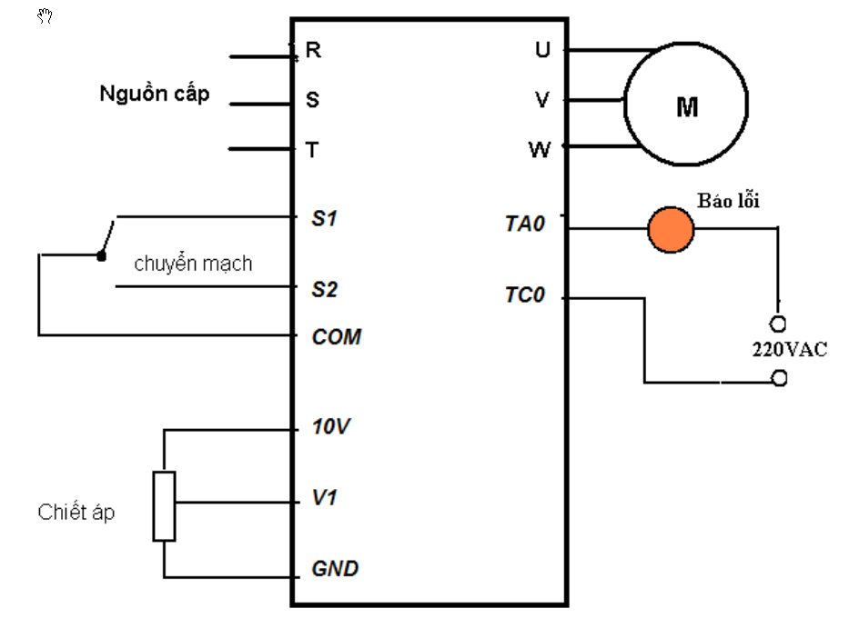
⚙️ 2. Đấu nối phần cứng cơ bản
🔋 Nguồn và tải
- Nối nguồn 3 pha 380 VAC vào chân R/L1, S/L2, T/L3.
- Nối động cơ 3 pha vào U, V, W.
🎚 Các kết nối điều khiển
- Chiết áp (potentiometer) điều chỉnh tốc độ: chân 10, V1, GND.
- Điện trở xả (brake) nếu dùng: nối vào chân + và PB.
- Chân lệnh chạy/dừng và đảo chiều:
- COM là chân chung,
- S1 = chạy thuận,
- S2 = chạy ngược.
🧠 3. Cài đặt cơ bản trên bàn phím biến tần
Biến tần CHINSC S350 thường cài tham số qua bàn phím điều khiển tích hợp như sau:
🔹 Quy trình thao tác
- Bật nguồn → màn hình hiển thị số.
- Nhấn MODE để vào nhóm tham số (ví dụ
H0,H4, …). - Dùng phím ▲/▼ để chọn tham số, ENTER để vào giá trị.
- Sửa giá trị xong nhấn ENTER lưu lại.
- Nhấn MODE để thoát về màn hình chính.
📌 4. Ví dụ cài đặt tham số (tham khảo tài liệu)
Dưới đây là ví dụ cài đặt tham số phổ biến
🟢 Ví dụ 1 – Điều khiển bằng bàn phím
- H0-00 = 1 → Nguồn tần số từ bàn phím.
- H0-05 = 50 → Tần số tối đa 50 Hz.
- H0-10 = 10 → Thời gian tăng tốc 10 s.
- H0-11 = 10 → Thời gian giảm tốc 10 s.
- H0-12 = 0 → Lệnh chạy/dừng tại bàn phím.
🔵 Ví dụ 2 – Điều khiển bằng chiết áp ngoài
- H0-00 = 2 → Tốc độ từ chiết áp.
- H0-05 = 60 → Tần số tối đa 60 Hz.
- H0-07 = 5 → Tần số tối thiểu 5 Hz.
- H0-12 = 1 → Lệnh chạy/dừng bằng công tắc.
🔴 Ví dụ 3 – Điều khiển bằng tín hiệu 4–20 mA
- H0-00 = 3 → Điều khiển tốc độ bằng 4–20 mA.
- H4-00 = 1 → Chân S1 chạy thuận.
- HP-04 = 1 → Khóa tham số sau cài.
Lưu ý: Đây là ví dụ tham khảo; khi lắp thực tế, bạn nên kiểm tra hướng dẫn chi tiết từng model và tham số.
📍 5. Đèn báo trạng thái & tín hiệu
Theo hướng dẫn điều khiển S350N:
- RUN: Sáng khi biến tần đang chạy.
- REMOT: On → điều khiển từ ngoài; Off → bàn phím.
- REV: On → đảo chiều.
- FAULT (nhấp nhanh): lỗi.













