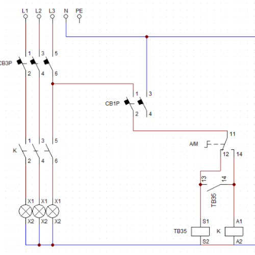
Mạch điện điều khiển tắt mở đèn đường.
Theo yêu cầu 1 em học viên cần sơ đồ mạch điện tủ điện điều khiển đèn đường.
Mình phát thảo nhanh mạch này và tiện đưa lên đây cho anh em tham khảo chơi.
Chế độ Auto/Man
CB 3 pha cấp nguồn chính
CB 1 pha cấp điện 1 pha cho mhachj điều khiển
CTT K đống ngắt 3 pha đèn
Timer TB35-N đóng ngắt đèn khi chế độ Auto bật.













