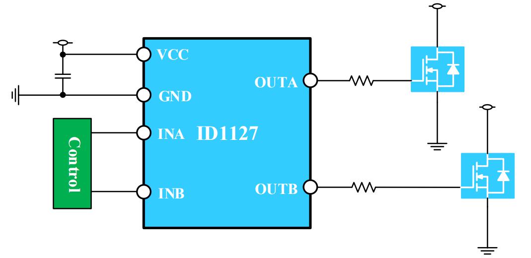
Đây là một ic đệm lái fet không thông dụng trên thị trường VN đó là ic ID1127.
Vì vậy để thay thế linh kiện này cần mua hàng ở nước ngoài về thay thế.
Bên cạnh đó dạng ic tương đương thì có nhiệu tại thị trường chúng ta.
Có thể thay thế hoặc chế lại tý là có thể chạy được mạch lái cho các Mosfet.













