Một mạch cơ bản của nguồn vào biến tần 1 pha hoặc 3 pha đều có những điểm chung mà một người kỹ thuật sửa chữa cần nắm rõ trước khi làm.
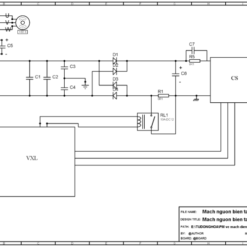
Phân tích mạch nguồn vào biến tần 220V:
- Nguồn cấp 220V: Bắt đầu với nguồn cấp 220V AC. Đây là nguồn cấp cho biến tần.
- Bộ điều khiển (nếu có): Trong một ứng dụng thực tế, bạn có thể có một bộ điều khiển để điều chỉnh tần số và điện áp đầu ra của biến tần.
- Mạch bộ chỉnh lưu (Rectifier): Đầu tiên, điện năng từ nguồn 220V AC sẽ đi qua mạch bộ chỉnh lưu (rectifier) để chuyển đổi nó thành điện áp DC. Điều này thường được thực hiện bằng các bộ chỉnh lưu cầu (bridge rectifier) hoặc bộ chỉnh lưu bán kết (diode bridge).
- Mạch lọc (Filter): Điện áp DC sau mạch chỉnh lưu có thể có nhiễu và dao động. Một mạch lọc sẽ được sử dụng để làm mờ nhiễu này và cung cấp điện áp DC ổn định hơn.
- Biến tần (Inverter): Điện áp DC ổn định sau mạch lọc sẽ được chuyển đổi lại thành điện áp AC tương ứng với tần số và điện áp mà bạn muốn đầu ra từ biến tần.
- Đầu ra biến tần: Điện áp AC đầu ra từ biến tần sẽ cung cấp cho thiết bị hoặc máy móc mà bạn đang cố gắng điều khiển.
- Bảo vệ và kiểm soát: Trong mạch này, bạn cũng cần bao gồm các thiết bị bảo vệ như cầu chì (fuses), công tắc chuyển (switches), và các thiết bị kiểm soát (control devices) để đảm bảo an toàn và kiểm soát hoạt động của biến tần.

Lưu ý rằng mạch cụ thể có thể phức tạp hơn tùy thuộc vào biến tần và ứng dụng cụ thể của bạn. Điều này chỉ là một sơ đồ cơ bản để bạn có cái nhìn tổng quan về mạch nguồn vào biến tần 220V.



